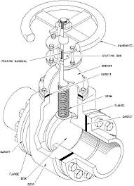
Gate Valve Disk Design
Gate valves are available with a variety of disks. Classification of gate valves is usually made by the type disk used: solid wedge, flexible wedge, split wedge, or parallel disk.
Solid wedges, flexible wedges, and split wedges are used in valves having inclined seats. Parallel disks are used in valves having parallel seats.
Regardless of the style of wedge or disk used, the disk is usually replaceable. In services where solids or high velocity may cause rapid erosion of the seat or disk, these components should have a high surface hardness and should have replacement seats as well as disks. If the seats are not replaceable, seat damage requires removal of the valve from the line for refacing of the seat, or refacing of the seat in place. Valves being used in corrosion service should normally be specified with replaceable seats.

